Page last updated Jun 24, 2024 @ 06:42pm

ATS3W100

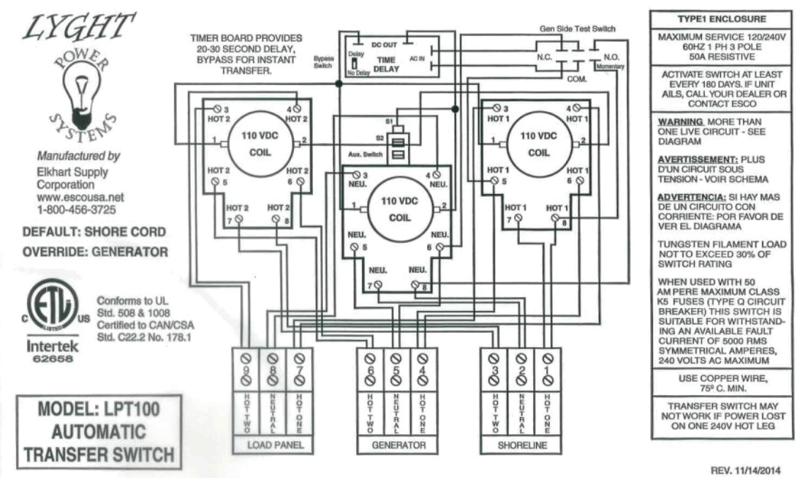
ESCO-LPT100-outside.gif (106988 bytes)  ESCO-LPT100inside.gif (254393 bytes)  ESCO-LPT100-schematic.gif (312897 bytes)  
click thumbnail image above to enlarge

Automatic Transfer Switch
for Mobile Applications

120/240VAC, 100 amp

These automatic transfer switches are designed for use in RVs with an AC "shore power" grid service. When plugged into the shore power they will automatically provide AC power to all AC appliances in the RV. To operate your appliances from an onboard generator or alternative Power source simply start them and these switches will automatically transfer the electrical power from the generator to AC appliances. They also feature a time delay of 20 to 30 seconds to allow the generator voltage to stabilize. To comply with the requirements for mobile applications the neutral is also switched. DC contactors are used to reduce chance of chatter and arcing.

If system is 120VAC only (no 240VAC) you must connect to "HOT 1" on this switch.  Connecting to "HOT 2" is optional.

 

Comparison with Other Transfer Switches
(some features not included can be added by user with additional auxiliary relays)

Feature ITS100R
LPT100
Higher Cost Automatic Transfer Switches
Generator Capacity 100 amp (24 kW max) 200 amp (48 kW)
or larger
Voltage 120/240Vac 60Hz 120/240Vac 60Hz
Generator output sensed before transfer Yes Yes
Time delay before loading generator Yes Yes
Under voltage sensing starts generator Not Included Yes
Automatic retransfer when utility restored No Yes
Automatic generator exerciser clock No Usually included
Engine battery trickle charger No Usually included
Short circuit rating Low Medium-High
Dimensions (L x W x D)

Iota ITS100R
Esco LPT100

7.5" x 8.5" x 4"
12" x 10" x 4
"
-----

 

Iota ITS100R Esco LPT100
discontinued

Item Number: LPT100
Price: $598
Price last updated 06/16/2023
Shipping Weight: 15 lbs.
This item normally ships in approximately 1-3 weeks or less.

 

 

 

 

Are YOU ready for the next power outage?

 1 Videos
 2 Outage Archives
 3 Utility Industry
 4 Why You Need Backup
 5 Personal Stories
 6 NoOutage Configurations
 7 Safety
 8 Sizing for Your Needs
 9 Voltage Drop Calculator
10 Test Reports
11 Placing Order
12 Equipment Leasing
13 Books & Videos  
14 Financing
15 Frequently Asked
16 Future Technologies
17 Electricity Glossary
18 Help with Plug Types
19 Who We Are
20 Why Buy Here
21 Our Customers
22 Pick a Contractor
23 Privacy Promise
24 Safe Shopping Guarantee
25 Terms & Conditions
26 What's New
27 Contacting Us
28 Parts Lookup
29 Parts & Service
30 Made in USA
31 Links

We welcome your feedback or questions.  Click here to contact us.
See our Terms & Conditions before using information or ordering from this web site.
Copyright © 1999-2025 NoOutage.com LLC. A Virginia LLC. All rights reserved.